I've had some adapter plates for my other pistols, but this one was a direct Glock MOS to Holosun mount and very low profile. It fit tight but perfectly and the machining is clean. Very pleased with this purchase.
Was a little concerned when I saw it going through customs but it is exactly what I wanted and needed. Wasn’t able to find it anywhere else so I was relieved when this arrived.
I tried to get information about this product from other suppliers but no one could give me a definite response, these guys were awesome and very professional.
The product was exactly what was discussed and fit.
Will definitely purchase from here again.
Optic plate install was a precision fit. There were no problems installing the optic plate onto my KMR-L-02 ORCA OR. Awesome pistol now with tge optic plate installed with my C-More RTS3B 2V red dot.
Excellent for my Glock 19 Gen5/Vortex Defender XL. Had some help to fit so straightforward enough. Highly recommend.
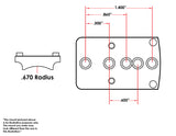
The part fits the beretta nicely
Still had to order screws at the cost of $6 apiece because for some reason unbeknownst to any living human being they don’t send the right screws an of course they are some odd size that nobody even has
Wasn’t impressed with how long it took to get here from Czech Republic
Didn’t no when I ordered
Perfecte beschrijving van montage plaat. Het is makkelijk te monteren.zeer snel verzonden. Dank aan het hele team!
Bei der Montage hat mit ein Vereinskamerad geholfen und auch den Holosun mit montiertes hat gepasst :-)
Good quality product, also clear detailed website which is important to choose the right plates.
I had some questions about the delivery and I got immediately feedback so good customer service !
Like ronseal "does exactly what it says on the tin". Perfect fit to a B14 Wilderness no complaints
Der Magnifier tut was er soll. Der Augenabstand zur Linse erfordert jedoch etwas Übung wenn man den ganzen Linsenumfang sehen möchte.
Consistent with Phoenix craftsmanship and precision machining, their optic ready plate is an essential component for maximizing the performance of the Drake.
Optics Spot was great in providing in stock notification as opposed to the lackluster service from B&T USA.
In addition, Optics Spot gave real time pertinent information on tracking and delivery.
Really please with this item and with the adaptor plate I purchased it was not problem to fit to my Walther PPQM2. Excellent product and so far so good. Great service from Optics Spot as well.
Volendo montare un dot sul mio 986 ho scelto questa base , si adatta perfettamente al castello L, l'unica accortezza che bisongna avere è accorciare di 1 mm la vite posteriore che altrimenti sporge e tocca contro il tanburo.
Per il resto nessun problema, basta svitare la tacca originale senza modificare nulla, una volta fissata non si muove più e accetta perfettamente un dot con impronta RMSc
Ordered my optic plate. arrived within 7 days of my order, optic is held securely and fits like a wet dream. Perfect customer service as well with a quick answer to my question before purchase. 10/10 will buy from again and recommend.
Produkt bardzo dobrej jakości, wszystko zgodnie z opisem, dobry kontakt ze sprzedającym i szybka wysyłka do Polski. Na pewno jeszcze skorzystam
![Univerzalna shotgun / rifle [.670’’ Radius] montaža za red dot | Trijicon RMR footprint](http://hr.optics-spot.eu/cdn/shop/files/Universal_shotgun_rifle_.670_Radius_red_dot_mount_Trijicon_RMR_footprint.jpg?v=1766826723&width=1214)
![Univerzalna sačmarica / puška [.670’’ Radius] montaža za red dot | tip S [RMSc DPP K-series footprint]](http://hr.optics-spot.eu/cdn/shop/files/Universal_shotgun_rifle_.670_Radius_red_dot_mount.jpg?v=1766826836&width=1214)
![Univerzalna shotgun / rifle [.670’’ Radius] montaža za red dot | Trijicon RMR footprint](http://hr.optics-spot.eu/cdn/shop/files/Universal_shotgun_rifle_.670_Radius_red_dot_mount__670.jpg?v=1766826899&width=1214)